
技術參數: |
1.K型,E型,J型等(可選)
2.精度等級:I級或者II級
3.溫度范圍:K型(0-500) E型(0-350度,)
4.引線:根據測量溫度及長度選擇
5.護套材料:無或者SUS304,SUS316,黃銅等(根據要求) |
基本信息 |
傳感器種類 |
分度號 |
測量范圍 |
|
熱電偶 |
K |
0~600℃ |
E |
0~300℃ |
J |
0~300℃ |
|
產品選型:
企業型號 |
分度號 |
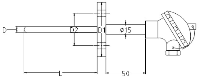
套管直徑長度螺紋 |
YC9(固定法蘭)
|
K |
保護管直徑D,長度L,法蘭直徑F |
| YC9H(滑動法蘭) |
E |
| J |
選型示例:Y9.K.D6L150.F95(默認材質304不銹鋼,可以按客戶要求訂制)
表示:Y9型熱電偶:K型,護管直徑6mm,長度150mm,法蘭直徑:95mm 三線制 |